КАСКАД 100: ШУ погружным насосом с защитой электродвигателя
Документация и ПО
| Наименование | Тип документа | Тип файла |
|---|---|---|
| Альбом схем КАСКАД 100 | Мануалы | |
| КАСКАД: шкафы управления погружным насосом | Каталог | |
| Библиотека EPLAN для ШУ КАСКАД | Библиотека E-PLAN | zip |
| Альбом DWG схем | CAD библиотека | zip |
Внимание! Шкафы управления моделей КАСКАД 100, представленные на этой странице, сняты с производства.
Описание более современных моделей замены КАСКАД 10 доступно по адресу: https://kipservis.ru/control_box/kaskad10.htm.
Шкафы управления погружным насосом КАСКАД 100 предназначены для модернизации существующих водяных скважин в системах водоснабжения водоканалов, а так же промышленных предприятий.
Шкафы разработаны специально для использования с погружными насосами и учитывают специфику применения. Удобная и понятная панель управления на русском языке облегчает ввод в эксплуатацию шкафа управления. Поддержание давления по ПИД-закону при помощи преобразователя частоты позволяет не только регулировать производительность насоса в условиях переменного расхода, но и существенно сократить затраты на электроэнергию.
Специально созданный алгоритм перехода из автоматического в ручной режим, позволяет исключить одновременное включение «байпаса» для предотвращения выхода из строя шкафа управления.
Общая информация и способы применения шкафов управления КАСКАД 100
Установка шкафа управления вместо водонапорной башни позволит постоянно поддерживать необходимое давление в системе, а так же обеспечит плавный разгон/торможение насоса, в результате которых отсутствует гидроудар, что продлевает срок службы труб и установленной арматуры.
При переменном характере разбора воды в системе водоснабжения, установка КАСКАД 100 позволяет сэкономить до 40 % электроэнергии!
Шкаф управления обладает возможностью внедрения в общую систему диспетчеризации посредством GSM-канала, что позволяет удаленно получать данные (давление в системе, потребляемый ток, коды аварий и т.д.) о работе системы в целом. Наличие встроенной системы поддержания микроклимата внутри шкафа, позволяет устанавливать КАСКАД 100 в не отапливаемых помещениях.
Использование ШУ КАСКАД 100 соответствует приказу Минэкономразвития РФ №61 от 17.02.2010 г. «Об утверждении примерного перечня мероприятий в области энергосбережения и повышения энергетической эффективности».
Почему стали не нужны водонапорные башни?
В 20-м веке башня инженера Рожновского стала успешным решением в системах водоснабжения во всей России. Ее эффективная работа вынуждала мириться с дорогой и сложной эксплуатацией. Развитие электроники и технологий автоматизации позволило создать достойную замену, более надежную и эффективную – шкаф управления погружным насосом КАСКАД 100.
Вы навсегда забудете:
- о замерзании воды при малом ее расходе;
- о переливах воды и обледенении башни;
- об образовании ржавчины воды при окислении на открытом воздухе;
- о высокой стоимости и сложности обслуживания;
- о нестабильном давлении воды на выходе.
Теперь у вас есть преимущества:
- экономия электроэнергии;
- легкий и быстрый монтаж;
- простой ввод в эксплуатацию;
- наблюдение за работой скважины, не вставая с кресла через интернет;
- необходимая информация всегда под рукой, в графиках и таблицах.
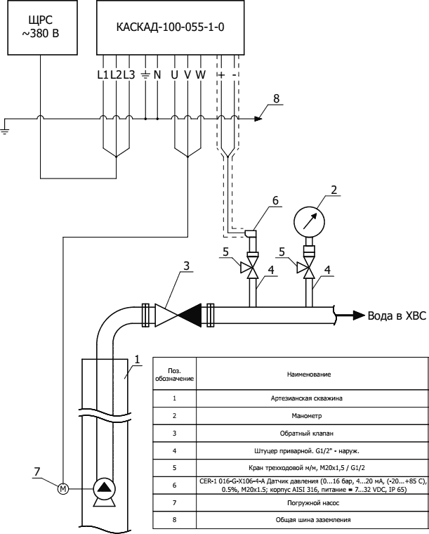
Подключение шкафа управления КАСКАД 100
Список подключаемого оборудования к шкафу управления КАСКАД 100:
- запорная арматура;
- PTE5000-C;
- манометр;
- шкаф управления КАСКАД 100;
- шкаф распределительный силовой (ШРС).
Особенности шкафов управления КАСКАД 100
Встроенный ПИД-регулятор
Наличие встроенной функции ПИД-регулятора позволяет изменять производительность насоса в зависимости от текущего расхода системы путем частотного регулирования.
- Более точное (по сравнению с водонапорной башней) поддержание давления в системе, а также автоматическая адаптация системы под текущий расход.
- Изменение производительности насоса позволяет изменять потребляемую мощность. Например, при уменьшении разбора воды (Q) на 20 % КАСКАД 100 позволит снизить потребляемый ток на 48 % и при этом обеспечит необходимое давление в системе.
Плавный пуск, плавная остановка
Шкаф управления КАСКАД 100 обеспечивает плавный пуск и остановку двигателя. Преимущества плавного пуска можно разделить на электрические и гидравлические:
- Гидравлическое преимущество – плавный пуск и остановка позволяет исключить гидроудары в системе, продлевает срок службы арматуры и измерительного оборудования.
- Электрическое преимущество – плавный пуск позволяет снизить пусковые токи двигателя, способствует продлению срока службы насоса, а также меньшему износу привода.
Встроенный моторный дроссель
Шкаф управления КАСКАД 100 учитывает специфику подключения двигателя погружных насосов, а именно большую протяженность силового кабеля. Для компенсации емкости длинных проводов, а также ограничения скорости нарастания напряжения, КАСКАД 100 оборудован встроенным моторным дроcселем. Это сводит к минимуму опасность повреждения изоляции двигателя насоса.
Автоматический и ручной режим работы
КАСКАД 100 может работать в двух режимах.
- Автоматический – основной режим:
- поддержание заданного давления в системе при помощи частотного регулятора по ПИД-закону;
- плавный пуск/остановка насоса;
- комплексная полная защита двигателя;
- «спящий» режим.
- Ручной - является не основным режимом и служит для временной работы системы при плановом обслуживании:
- прямой пуск двигателя, минуя преобразователь частоты (байпас);
- функция защиты двигателя: тепловая, неправильное чередование и перекос фаз, перенапряжение или низкое входное напряжение.
Удобное задание поддерживаемого давления
КАСКАД 100 имеет 2 способа задания уставки:
- Автоматический: автоматическая программная смена уставки в зависимости от времени суток: утро, день, вечер, ночь. Имеется возможность корректировать диапазон времени и значение уставки в этом диапазоне.
- Ручной: простое задание при помощи поворотного задатчика.
Комплексная защита двигателя
КАСКАД 100 обеспечивает полную защиту электродвигателя:
- электронная тепловая защита;
- защита от перегрузки по току;
- защита от обрыва выходной фазы;
- защита от замыкания на землю.
Широкий диапазон рабочих температур
КАСКАД 100 оборудован системой поддержания внутреннего микроклимата, что позволяет использовать шкаф внутри помещений при температурах до 35 °C в летнее время, а также в не отапливаемых помещениях зимой при температурах до минус 30 °C (модификация с подогревом).
Поддержка системы мониторинга OnlineScan.ru
Теперь для мониторинга скважины вам не потребуется «специальный контроллер с программой», «дорогостоящее ПО» и пр. А также платить деньги за настройку и обслуживание всего этого оборудования. Достаточно выполнить два шага:
OnlineScan всегда под рукой
Это удобно:
- иметь доступ из любой точки мира;
- видеть все шкафы на своей интерактивной карте;
- получать текущие данные с объекта;
- просматривать архив данных за заданный период времени;
- строить графики по периодам.
Это просто:
- получить доступ, воспользовавшись любым браузером;
- зарегистрироваться;
- добавить новый или редактировать имеющийся шкаф;
- настроить параметры отображения «под себя».
Технические характеристики шкафов управления КАСКАД 100
Основные характеристики
| Наименование | Модификация шкафа КАСКАД 100 | ||||||||
|---|---|---|---|---|---|---|---|---|---|
| -022- | -037- | -055- | -075- | -110- | -150- | -185- | -220- | -300- | |
| Номинальное рабочее напряжение | 3-фазное 380 В (-15 %…+10 %), 50Гц | ||||||||
| Номинальное напряжение цепей управления | 220 В, 50 Гц и =24 В | ||||||||
| Номинальный потребляемый ток, A (для модификации с подогревом, А) |
7,8 (8) |
11,4 (11,6) |
18,4 (18,8) |
20,4 (20,6) |
25,4 (25,6) |
33,5 (33,7) |
39,5 (39,7) |
48 (48,2) |
64 (64,2) |
| Номинальный выходной ток, А | 5,5 | 8,5 | 13 | 18 | 24 | 32 | 38 | 45 | 60 |
| Мощность подключаемого двигателя, кВт | 2,2 | 3,7 | 5,5 | 7,5 | 11 | 15 | 18,5 | 22 | 30 |
| Перегрузочная способность при работе в автоматическом режиме | 120 % номинального выходного тока в течение 1 минуты, но не чаще одного раза в 5 минут | ||||||||
| Тип подключаемого аналогового датчика | Датчик давления с аналоговым выходом 4…20 мА) | ||||||||
| Максимальный импеданс для аналогового входа, Ом | 250 | ||||||||
| Рабочая температура окружающей среды, °C | -10…+35 (для модификации с подогревом: -30…+35) | ||||||||
| Размеры шкафа В×Ш×Г, мм | 800×600×250 | 1000×600×250 | 1000×800×300 | ||||||
| Вес (для модификации с подогревом), кг | 42,5 (43) |
43,5 (44) |
44,5 (45) |
45,5 (46) |
46,5 (47) |
64 (64,5) |
65,5 (66) |
74 (74,5) |
76 (76,6) |
Условия окружающей среды
| Описание параметра | Режим эксплуатации | Описание |
|---|---|---|
| Температура окружающего воздуха | Работа | От минус 10 до плюс 35 °C (для модификации с подогревом от минус 30 до плюс 35 °C) |
| Хранение | От минус 25 до плюс 70 °C | |
| Транспортировка | От минус 25 до плюс 70 °C | |
| Относительная влажность | Работа | Макс. 90 % |
| Хранение | Макс. 95 % | |
| Транспортировка | Макс. 95 % | |
| Атмосферное давление | Работа | От 86 до 106 кПа |
| Хранение | От 86 до 106 кПа | |
| Транспортировка | От 70 до 106 кПа | |
| Высота установки | Работа | До 1000 м над уровнем моря При высоте от 1000 до 3000 м, номинальный ток должен быть снижен из расчета 2% на 100 м |
В случае, если шкаф управления перемещен из холодного помещения в теплое, на внешних и внутренних поверхностях может образовываться конденсат, что может привести к выходу из строя его компонентов.
Поэтому, перед вводом в эксплуатацию необходимо выдержать ШУ без упаковки в течение не менее 4 часов. Не подключайте силовое питание до исчезновения всех видимых признаков наличия конденсата.
Требования к монтажу
1. Подвод питания:
- к месту установки должны быть подведены и промаркированы кабели питающей сети (Фаза L1, L2, L3, N);
- к месту установки должны быть подведены и промаркированы кабели двигателя (U,V,W);
- между шкафом управления и двигателем не должны располагаться компенсаторы реактивной мощности для повышения коэффициента мощности, а также коммутационные устройства;
- должна быть подведена шина заземления в соответствии с ПУЭ;
- должен быть подведен экранированный кабель от датчика давления.
2. Монтаж датчика давления:
- в месте монтажа датчика не должно создаваться отрицательное давление (вакуум), для этого его нужно устанавливать после обратного клапана;
- для монтажа датчика нужно изготовить и установить штуцер G1/2″
- для контроля работы датчика и ПЧ необходимо установить манометр рядом с датчиком;
- для установки датчика давления и манометра необходимо использовать (кран трех ходовой М20×1,5 / G1/2″).
Основные органы управления шкафа КАСКАД 100
Операторская панель управления предназначена для первоначальной настройки преобразователя частоты, а также отображения основных параметров работы.
- переключатель «РУЧ | ВЫКЛ | АВТ» – выбор режима работы шкафа управления
- переключатель «Р.СТОП | Р.ПУСК» – запуск/останов насоса (активен только в ручном режиме)
- поворотный задатчик «УСТАВКА» – задание требуемого давления (актуален для автоматического режима)
- индикатор «АВТОМАТ» – индикация включения автоматического режима
- индикатор «РУЧНОЙ» – индикация включения ручного режима
- индикатор «АВАРИЯ» – индикация аварии преобразователя частоты
- индикатор «Р .СТОП | Р .ПУСК» – индикация включения насоса в ручном режиме
Панель управления позволяет простую настройку и ввод в эксплуатацию
Описание органов управления панелью:
- дисплей;
- функциональные кнопки базовых настроек;
- кнопка входа в меню дополнительных настроек;
- кнопка «ОТМЕНА»;
- кнопки изменения параметра;
- кнопка сброса аварии с индикации;
- кнопка «ВВОД».
Габаритные размеры управляющих шкафов КАСКАД 100
Стандартное исполнение корпуса шкафа — IP54
Ввод кабелей внешних подключений осуществляется через кабельные вводы, расположенные снизу.
Обозначение при заказе шкафа управления КАСКАД 100
| КАСКАД 100 | - | - | - | |||
|---|---|---|---|---|---|---|
| Номинальная мощность насоса, кВт |
||||||
| 2,2 | 022 | |||||
| 3,7 | 037 | |||||
| 5,5 | 055 | |||||
| 7,5 | 075 | |||||
| 11 | 110 | |||||
| 15 | 150 | |||||
| 18,5 | 185 | |||||
| 22 | 220 | |||||
| 30 | 300 | |||||
| Количество двигателей | ||||||
| Один двигатель | 1 | |||||
| Модификация | ||||||
| Базовая версия | 0 | |||||
| С подогревом | 1 |
Пример: КАСКАД 100-037-1-1


