Термопреобразователь сопротивления в корпусе для настенного монтажа ELHART TRE.V50
Рабочий диапазон: -40…+80 °C
Класс точности B
Степень защиты
Идеальное решение для HVAC
Хорошая цена
Документация и ПО
| Наименование | Тип документа | Тип файла |
|---|---|---|
| Паспорт. Термопреобразователь сопротивления настенный TRE.V50 | Паспорт | |
| Датчики температуры ELHART | Каталог | |
| Компоненты для автоматизации ELHART (2026 г.) | Каталог | |
| Сертификат утверждения типа СИ (Республика Беларусь). Датчики влажности и температуры TRE | Свидетельство об утверждении типа СИ | |
| Сертификат утверждения типа СИ (Республика Казахстан). Датчики влажности и температуры TRE | Свидетельство об утверждении типа СИ | |
| Сертификат утверждения типа СИ (Россия). Датчики влажности и температуры TRE | Свидетельство об утверждении типа СИ | |
| Отказное письмо. Датчики температуры ELHART серии TRE / TCE | Письмо |
Описание термопреобразователя сопротивления TRE.V50
Датчики температуры ELHART серии TRE.V50 являются термопреобразователями сопротивления и предназначены для измерения температуры окружающего воздуха в системах отопления, вентиляции и кондиционирования (HVAC/OВиК). Конструкция датчиков позволяет устанавливать их на стены зданий и помещений, либо на другой плоской поверхности.
TRE.V50 изготавливаются с платиновыми чувствительными элементами Pt100 или Pt1000, с классом допуска В по ГОСТ 6651. Диапазон рабочих температур датчика составляет от −40 до +80 °C.
Благодаря конструкции корпуса датчик имеет быструю скорость реакции. Время термической реакции составляет не более 10 с.
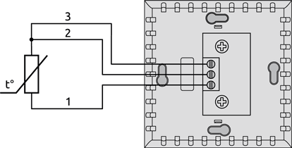
Подключение измерительных проводов к датчику осуществляется с помощью винтового клеммного разъема по трехпроводной схеме подключения.
Технические характеристики термопреобразователя сопротивления TRE.V50
| Параметр | Значение |
|---|---|
| Номинальная статическая характеристика (НСХ) |
Pt100 (α=0,00385 °C -1) Pt1000 (α=0,00385 °C -1) (определяется при заказе) |
| Диапазон измерения температуры | -40…+80 °C |
| Класс допуска | В - ±(0,30+0,005·|t|) °C где |t| - значение температуры по модулю |
| Время термической реакции (63,2%)* | не более 10 с |
| Электрическое сопротивление изоляции при температуре (25 ±10) °С* |
не менее 100 МОм |
| Измерительный ток* | не более 1 мА (для Pt100) не более 0,3 мА (для Pt1000) |
| Степень защиты, обеспечиваемая оболочкой корпуса датчика** |
IP20 |
| Схема внутренних соединений проводников |
3-х проводная |
| Сечение проводов | не более 1,5 мм2 |
| Материал корпуса датчика | ABS пластик |
| Средняя наработка на отказ | 40 000 час |
| Относительная влажность окружающего воздуха |
не более 95% (без образования конденсата) |
| Срок службы | не менее 10 лет |
* — согласно ГОСТ 6651.
** — согласно ГОСТ 14254.
Габаритные размеры термопреобразователя сопротивления TRE.V50
Схема соединения термопреобразователя сопротивления TRE.V50
Информация для заказа термопреобразователя сопротивления TRE.V50
| TRE.V50- | - | B | 3 | |
|---|---|---|---|---|
| НСХ | ||||
| Pt100 | Pt100 | |||
| Pt1000 | Pt1000 | |||
| Класс допуска | ||||
| Класс B | B | |||
| Схема соединений внутренних проводов |
||||
| Трехпроводная | 3 | |||
Пример: TRE.V50-Pt100-B3
