Преобразователи интерфейсов ELHART EDC
USB 2.0, RS-485, RS-232
Скорость до 256 кб/с
Компактный размер
Отличное соотношение цена/качество
Документация и ПО
| Наименование | Тип документа | Тип файла |
|---|---|---|
| Драйвер преобраз. интерфейсов EDC мод. U1 и U2 для ОС Win 11/10/8.1/8/7/VISTA/XP | Программное обеспечение | zip |
| Конфигуратор ELHART v1.5.1 | Программное обеспечение | zip |
| Паспорт. Преобразователи интерфейсов EDC | Паспорт | |
| Каталог "Компоненты для автоматизации ELHART (2026 г.)" | Каталог | |
| Декларация о соответствии ТР ТС 020, 037 - Преобразователи интерфейсов EDC | Декларации о соответствии (ТС и ЕАЭС) |
| Наименование | Цена с НДС |
|---|---|
|
EDC-A1-U2 Преобразователь интерфейсов USB-RS-485 с гальванической развязкой и источником питания 5 В для датчиков, питание от USB, USB-флеш корпус
|
Загрузка… |
| Загрузка… | |
| Загрузка… |
Описание преобразователей интерфейсов ELHART серии EDC
Преобразователи интерфейсов серии EDC предназначены для преобразования цифровых данных при обмене между устройствами с разными интерфейсами связи. Обеспечивают гальваническую развязку между устройствами.
Надежный инструмент для подключения устройств к персональным компьютерам или для согласования интерфейсов между различными устройствами (датчики, приборы, программируемые логические контроллеры и модули ввода/вывода, панели оператора и другие).
Особенности преобразователей интерфейсов EDC
- Компактный корпус: 75×20×25 мм.
- Гальваническая развязка между подключаемыми устройствами до 1500 В.
- Модификации U1 и U2 питаются от USB и не требуют внешнего блока питания.
- Встроенный, гальванически изолированный, источник напряжения =5 В для подключения датчиков без сторонних блоков питания.
- USB коннектор тип А для непосредственного подключения к ПК.
- Удобные клеммы с винтовым зажимом для RS-232 и RS-485.
- Светодиод обнаружения драйвера в подключаемом ПК.
Технические характеристики преобразователей интерфейсов ELHART серии EDC
| Модификация | EDC-A1-U1 | EDC-A1-U2 | EDC-A1-R1 |
|---|---|---|---|
| Преобразование интерфейсов | USB ↔ RS-485 | RS-232 ↔ RS-485 | |
| Допустимое напряжение питания постоянного тока | =4,75…5,25 В (от разъема USB) |
=22…26 В (отдельные клеммы) |
|
| Скорость передачи данных | 75…256000 б/с | 75…115200 б/с | |
| Тип интерфейса связи 1 и подключение | USB 2.0, разъем USB тип А | RS-232 встроенная клемма на 3 контакта |
|
| Тип интерфейса связи 2 и подключение | RS-485 встроенная клемма на 3 контакта |
RS-485 встроенная клемма на 4 контакта |
|
| Сечение и тип клемм | до 1 мм² с винтовым зажимом | ||
| Напряжение и мощность встроенного источника питания | 5 В, 0.5 Вт (отдельные клеммы) |
||
| Потребляемая мощность | не более 1 Вт | ||
| Электрическая прочность изоляции при испытании напряжением постоянного тока | =1500 В | ||
| Масса изделия | не более 50 г | ||
| Степень защиты, обеспечиваемая оболочкой | IP20 | ||
| Рабочая температура окружающего воздуха при эксплуатации или хранении | -20…+50 °C | ||
| Относительная влажность окружающего воздуха без образования конденсата при эксплуатации или хранении | 10…80% | ||
Габаритные размеры преобразователей интерфейсов ELHART серии EDC
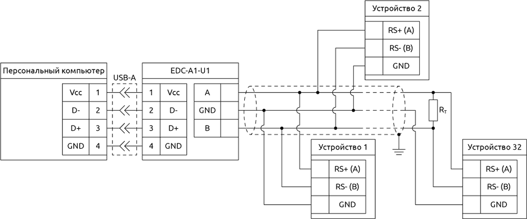
Схемы подключения преобразователей интерфейсов ELHART серии EDC
Информация для заказа преобразователей интерфейсов ELHART серии EDC
| EDC- | A1 | - | |
|---|---|---|---|
| Тип корпуса | |||
| Корпус USB-Flash | A1 | ||
| Тип преобразователя | |||
| Преобразователь USB ↔ RS-485 | U1 | ||
| Преобразователь USB ↔ RS-485 с источником питания =5 В |
U2 | ||
| Преобразователь RS-232 ↔ RS-485 | R1 | ||
Пример: EDC-A1-U2


