Преобразователи частоты для однофазных асинхронных двигателей
Вольт-частотное управление
Встроенный RS-485 (протокол ModBUS)
Встроенный ПИД-регулятор
Перегрузочная способность 150% в течение 60 сек
Выходная частота до 590 Гц
Документация и ПО
| Наименование | Тип документа | Тип файла |
|---|---|---|
| Паспорт. ПЧ ELHART серии EMD-MINI-A | Паспорт | |
| Краткое руководство по эксплуатации. ПЧ ELHART серии EMD-MINI-А v2.1 | Руководство по эксплуатации | |
| Декларация о соответствии ТР ТС 004, 020 - Преобразователи частоты EMD-MINI исполнения A | Декларации о соответствии (ТС и ЕАЭС) |
Описание преобразователей частоты ELHART серии EMD‑MINI A
ELHART EMD-MINI А — это частотные преобразователи для однофазных двигателей, которые применяются в HVAC-системах при автоматизации зданий. С помощью преобразователей частоты осуществляется регулировка скорости приточных и вытяжных вентиляторах. А также EMD-MINI A применяются для управления насосами, мешалками, миксерами, шлифовальными станками, транспортерами и другим технологическим оборудованием.
EMD-MINI A предназначен для управления скоростью вращения только для однофазных двигателей мощностью от 0,4 до 2,2 кВт с напряжением питания 230 В.
Принцип работы частотных преобразователей EMD-MINI A основан на преобразовании сетевого однофазного переменного напряжения (тока) с частотой 50 Гц в однофазное напряжение (ток) с заданной частотой (до 590 Гц) с сохранением постоянства соотношения U/f. Изменение частоты и амплитуды действующего значения напряжения, подаваемого на электродвигатель, приводит к изменению скорости вращения магнитного поля, что приводит к изменению механической скорости вращения вала электродвигателя.
Особенности преобразователей частоты ELHART серии EMD‑MINI A
Удобство и простота эксплуатации
- Наличие встроенного интерфейса RS-485 дает возможность осуществлять удаленное управление частотно-регулируемым электроприводом.
- Возможность подключения выносного пульта управления EMD‑MINI — RCP (не входит в комплект поставки) позволяет реализовать дистанционное управление на расстоянии до 2 метров.
- Компактный размер позволяет установить частотный преобразователь на DIN-рейку. Крепление к DIN-рейке предусмотрено конструкцией.
- Простое и быстрое программирование параметров настройки.
- Встроенный блок питания 10 В постоянного тока для подключения внешнего потенциометра.
Высокая производительность
- Вольт-частотное (скалярное) управление асинхронным электродвигателем — сохранение постоянства соотношения V/f для обеспечения постоянства величины магнитного поля при различных скоростях.
- Перегрузочная способность 150% номинального тока в течение 60 секунд.
- Выходная частота до 590 Гц позволяет реализовать управление высокочастотными электродвигателями.
Функциональность
- Встроенный ПИД-регулятор позволяет непрерывно контролировать параметры технологического процесса (давление, расход, температура и т. д.).
- Спящий режим при работе частотного преобразователя в режиме ПИД-регулирования позволяет экономить потребляемую электроэнергию и сократить износ оборудования.
- Программный режим для задания скорости и направления вращения электродвигателя по заранее заданной программе (до 15 шагов).
- Корректировка вольт-частотной характеристики V/f по трем точкам для адаптации управления под характер нагрузки электродвигателя.
Особенности эксплуатации
Из-за конструктивных особенностей однофазных двигателей существует ряд ограничений.
- При запуске на низких частотах возможно «опрокидывание двигателя». Для предотвращения аварийных ситуаций рекомендуется задавать выходную частоту более 30 Гц.
- Смена направления вращения не может быть выполнена средствами преобразователя частоты. Необходимо использовать внешний механический редуктор.
Примеры использования ПЧ ELHART EMD‑MINI A
Список применений:
Управление системой вентиляции
В приточно-вытяжных системах вентиляторы часто работают на фиксированной скорости, что приводит к избыточному расходу энергии, повышенному уровню шума и усиленным вибрациям — особенно в нерабочие часы или при частичной загрузке здания. Постоянная работа двигателя на максимальной частоте не только снижает комфорт, но и ускоряет износ оборудования.
Для управления производительностью вентиляции применяются компактные преобразователи частоты EMD-MINI A, позволяющие плавно регулировать скорость вращения вентиляторов в диапазоне 30–50 Гц в зависимости от текущих потребностей системы.
Такой подход обеспечивает значительное снижение акустического шума и вибраций, повышает энергоэффективность вентиляции и продлевает срок службы двигателей и механических компонентов системы.
Поддержание давления в системе водоснабжения
При использовании классической схемы (реле давления и гидроаккумулятор) на однофазных скважинных насосах имеется проблема, связанная с резким пуском. Он вызывает разрушительные гидроудары в системе водоснабжения, приводит к ускоренному износу механической части и не позволяет поддерживать стабильное давление воды у потребителя.
Решением данной проблемы является применение преобразователя частоты EMD-MINI A. Благодаря однофазному преобразователю частоты обеспечивается плавный запуск и точное регулирование производительности насоса за счет работы встроенного ПИД-регулятора, автоматически поддерживающего заданное давление.
В результате это позволяет полностью исключить вредные гидроудары, значительно продлить срок службы всего насосного оборудования и гарантировать постоянный комфортный напор воды независимо от изменения расхода.
Технические характеристики частотных преобразователей ELHART серии EMD‑MINI A
| Артикул | Мощность, кВт | Напряжение питания | Выходное напряжение | Номинальный ток, А | |
|---|---|---|---|---|---|
| входной | выходной | ||||
| EMD‑MINI – 004 A | 0,4 | 1 ф / 230 В (170…240 В) 50/60 Гц |
1 ф / 230 В (0…230 В) 0,1…590,0 Гц |
7,2 | 5 |
| EMD‑MINI – 007 A | 0,75 | 10 | 7 | ||
| EMD‑MINI – 015 A | 1,5 | 16 | 11 | ||
| EMD‑MINI – 022 A | 2,2 | 23 | 16,5 | ||
| Параметр | Значение |
|---|---|
| Общие сведения | |
| Метод управления электродвигателем | V/f – вольт-частотное (скалярное) управление |
| Дискретность задания частоты | Цифровое задание: 0,1 Гц Аналоговое задание: 0,1 % от максимальной частоты |
| Время разгона/торможения | 0…999,9 сек |
| ПИД-регулятор | Встроенный ПИД-регулятор |
| Программный режим | Задание до 15 предустановленных скоростей, включающихся по программе |
| Управление моментом | Ручное увеличение момента в пределах 0...30 % от номинального момента |
| Характеристики управляющих сигналов | |
| Дискретные входы | 4 многофункциональных дискретных входа (NPN) |
| Дискретный выход | 1 многофункциональный дискретный выход: релейный выход (НО/НЗ), 3 А / ~250 В, 3 А / = 30 В |
| Аналоговый вход | 1 аналоговый вход: 0...10 В / 0...20 мА |
| Интерфейс связи | RS-485, протокол ModBus ASCII / RTU (максимальная скорость передачи данных 19200 бит/сек) |
| Источник задания выходной частоты | Пульт управления, аналоговый вход, дискретный вход, интерфейс связи RS-485, программный режим управления скоростью |
| Перегрузочная способность и защиты | |
| Перегрузка | 150 % от номинального тока в течение 60 сек |
| Защиты | Повышенное/пониженное напряжение, перегрузка по току и прочие |
| Условия эксплуатации | |
| Класс защиты | IP20 |
| Температура окружающей среды | -10…+40 °С (без обмерзания) |
| Относительная влажность | Не более 95% (без образования конденсата) |
| Метод охлаждения | Встроенный вентилятор охлаждения |
| Метод монтажа | Установка на DIN-рейку 35 мм, монтаж на панель |
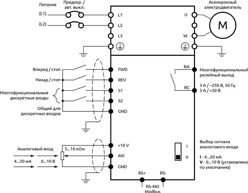
Схема подключения частотных преобразователей ELHART серии EMD‑MINI A
Габаритные размеры частотных преобразователей ELHART серии EMD‑MINI A
| Типоразмер | Артикул | Габаритные размеры, мм | Крепление на DIN-рейку 35 мм |
Масса, кг |
||||||
|---|---|---|---|---|---|---|---|---|---|---|
| W | H | D | A | B | E | Ød | ||||
| 1 | EMD‑MINI — 004…007 A | 68 | 132 | 102 | 120 | 57 | 62 | 4,5 | есть | 0,71 |
| EMD‑MINI — 015 A | 72 | 142 | 112,2 | 130 | 61 | 62 | 4,5 | 0,93 | ||
| 2 | EMD‑MINI — 022 A | 85 | 180 | 116 | 167 | 72 | 100 | 5,5 | 1,47 | |
Информация для заказа частотных преобразователей ELHART серии EMD‑MINI A
| EMD-MINI — | ||
|---|---|---|
| Мощность двигателя, кВт | ||
| 0,4 | 004 | |
| 0,75 | 007 | |
| 1,5 | 015 | |
| 2,2 | 022 | |
| Диапазон питающего напряжения | ||
| от 170 до 240 В, 50/60 Гц для однофазных двигателей |
A | |
Пример: Преобразователь частоты мощностью 0,4 кВт с напряжением питания 230 В — EMD‑MINI-004 A.



