SCN: Ниппели для присосок VALMA
Уровень вакуума до -95 кПа
Прочный корпус из анод. алюминия
Низкий вес
Сделано в России
Документация и ПО
| Наименование | Тип документа | Тип файла |
|---|---|---|
| VALMA-VSCN.ПС (Паспорт Ниппель с присоской) | Паспорт | |
| Информационное письмо - Ниппели с присоской | Письмо |
| Наименование | Цена с НДС |
|---|---|
| Загрузка… | |
| Загрузка… | |
|
SCN-AD-S10/25-G14 Ниппель прямой для присосок с посадочным диаметром 10 мм и опорой 25 мм, резьба наруж. G 1/4, анодированный алюминиевый сплав
|
Загрузка… |
| Загрузка… | |
| Загрузка… |
Описание ниппелей VALMA серии SCN
Ниппели VALMA серии SCN являются компонентами ниппеля с присоской серии VSCN и предназначены для сборки ниппеля с присоской или для замены аналогичных износившихся деталей данного изделия.
Устройство и принцип работы ниппелей и присосок VALMA
Ниппель с присоской VSCN состоит из ниппеля SCN и присоски VSC, надетой на этот ниппель (см. рисунок 1). Ниппели SCN в зависимости от модификации могут иметь наружную или внутреннюю резьбу для подключения к вакуумной системе. Фиксация присоски на ниппеле осуществляется за счет сил натяжения, формирующихся в материале присоски в области посадочного диаметра, после ее надевания на ниппель. Некоторые модели ниппелей дополнительно имеют опорную поверхность, предотвращающую соскакивание присоски с ниппеля при повышенной нагрузке. Присоска с ниппелем и опорной поверхностью показана на рисунке 1 справа.
Для захвата и удержания какого-либо объекта необходимо переместить его в положение, в котором поверхность объекта будет соприкасаться с кромкой контактной поверхности присоски VSC (см. рисунок 2 слева). После этого необходимо через ниппель SCN откачать газ из объема, образованного контактными поверхностями присоски и захватываемого объекта. Это осуществляется подключением ниппеля к вакуумной линии и подачей вакуума в эту линию. В результате подачи вакуума (откачки газа), давление газа на контактную поверхность внутри присоски падает. Давление окружающего газа снаружи присоски сохраняется. Под действием образовавшейся разности давлений присоска деформируется и прижимается к поверхности поднесенного к ней объекта (см. рисунок 2 справа). Давление окружающего газа продолжает оказывать прижимающее действие как на саму присоску, так и на поднесенный объект.
Таким образом, захват и удержание поднесенного к присоске объекта осуществляется за счет разности давления окружающего газа снаружи присоски и давления газа внутри присоски, которое определяется уровнем вакуума, поданного в присоску через ниппель.
Усилие захвата и удержания объектов, развиваемое изделием зависит от многих факторов, в том числе от уровня вакуума, диаметра присоски, структуры и формы поверхности захватываемого объекта, а также от проницаемости захватываемого объекта для газов. Допустимый вес объекта, перемещаемого с помощью изделия зависит также от положения объекта и присоски в пространстве и от фактических ускорений, возникающих при перемещении объекта. Выбор моделей ниппелей с присоской, ниппелей и присосок, а также их количества и взаимного расположения должен осуществляться при проектировании системы захвата и перемещения объектов в составе которой они будут использованы.
Вес, форма и структура поверхности объекта, контактирующего с присоской, влияют не только на работоспособность системы, но также и на износ присоски и наработку до ее повреждения.
Технические характеристики ниппелей VALMA SCN
| Параметр | Значение |
|---|---|
| Рабочая и окружающая среда | газообразные вещества, совместимые с материалами изделия |
| Максимально допустимый уровень вакуума |
от 0 до -0,95 бар (от 0 до -95 кПа) |
| Материал ниппеля | анодированный алюминиевый сплав |
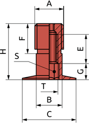
Габаритные и присоединительные размеры ниппелей VALMA SCN
(типоразмер 1)
(типоразмер 2)
(типоразмер 3)
| Модель | Объем*, мл | Типоразмер | Габаритные и присоединительные размеры, мм | Вес, г | ||||||||
|---|---|---|---|---|---|---|---|---|---|---|---|---|
| A | B | C | T | E | F | G | H | S | ||||
| SCN-AD-H04-G18 | 0,141 | 1 | G1/8″ | 5,5 | - | - | 5 | 8 | 7 | 20 | 12 | 3,2 |
| SCN-AD-H06-G18 | 0,216 | 1 | G1/8″ | 7,5 | - | - | 5 | 8 | 9,5 | 22,5 | 12 | 3,7 |
| SCN-AD-H10-G14 | 0,512 | 1 | G1/4″ | 12 | - | - | 8 | 14 | 10 | 32 | 17 | 11,8 |
| SCN-ADF-H04-G18 | 0,784 | 2 | G1/8″ | 5,5 | - | - | 13 | 10 | 7 | 20 | 12 | 2,7 |
| SCN-ADF-H06-G18 | 0,836 | 2 | G1/8″ | 7,5 | - | - | 13 | 10 | 9,5 | 22,5 | 12 | 3,2 |
| SCN-ADF-H10-G14 | 2,043 | 2 | G1/4″ | 12 | - | - | 17 | 14 | 10 | 27 | 17 | 8,8 |
| SCN-AD-S10/25-G14 | 1,041 | 3 | G1/4″ | 12 | 25 | M8 | 12 | 16 | 7,5 | 25 | 8 | 7,7 |
| SCN-AD-S15/25-G14 | 1,272 | 3 | G1/4″ | 15,5 | 25 | M8 | 12 | 14 | 8 | 37 | 8 | 14,7 |
* — Указан объем внутренней полости изделия.
Информация для заказа ниппелей VALMA серии SCN
| SCN- | - | - | ||||
|---|---|---|---|---|---|---|
| Конструктивное исполнение | ||||||
| Ниппель прямой с наружной резьбой | AD | |||||
| Ниппель прямой с внутренней резьбой | ADF | |||||
| Тип поверхности для присоединения присоски | ||||||
| Елочка (ерш), см. рисунок 1 слева | H | |||||
| С опорной поверхностью, см. рис. 1 справа | S | |||||
| Посадочный диаметр совместимых присосок | ||||||
| Указывается величина посадочного диаметра совместимых присосок в мм Для ниппелей с опорной поверхностью через дробь указывается диаметр опорной поверхности |
4...15 | |||||
| Тип и размер присоединительной резьбы | ||||||
| Трубная цилиндрическая 1/8″ | G18 | |||||
| Трубная цилиндрическая 1/4″ | G14 | |||||
Пример: SCN-ADF-H10-G14.




